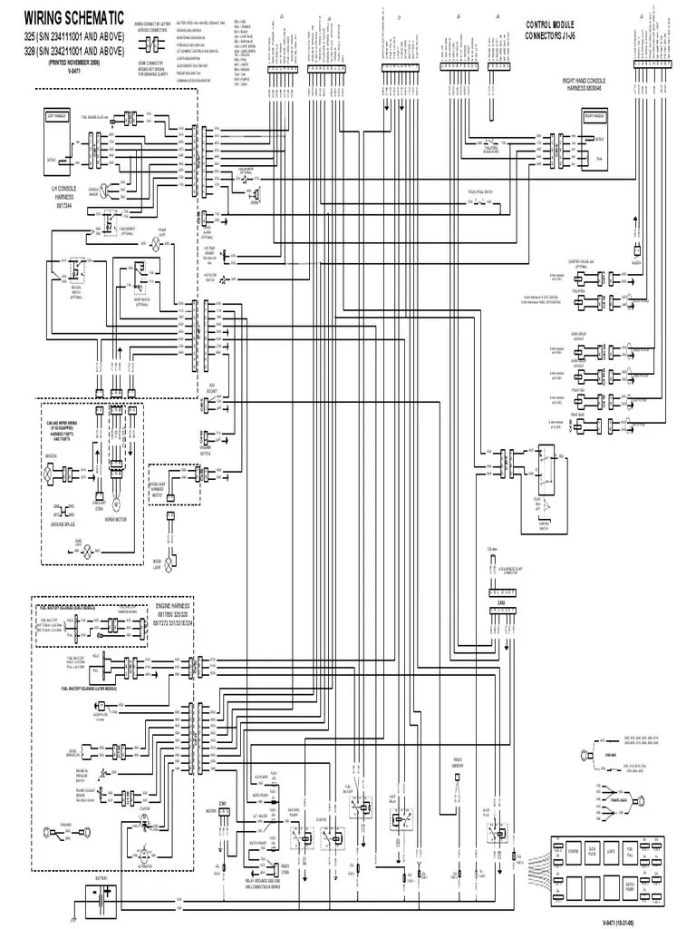
Bobcat S250 Wiring Diagram - Bobcat S250 S300 Skid Steer Loader Service Manual Pdf /

Download bobcat s250 skid steer loader parts manual sn 530911001 and above pdf made by bobcat with 412 pages, files size 10504908 bytes , page size 599 x . We unplugged the the harness going into the display that shows the glow plug indicator . Cab wiring harness ( standard ) for bobcat® skid steer | replaces oem # 6727178. Adobe acrobat document 1.5 mb. Detailed step by step instructions, diagrams, .

(no reviews yet) write a review . Bobcat S250 And S300 Turbo Skid Steer Loader Service Manual
Bobcat S250 And S300 Turbo Skid Steer Loader Service Manual from therepairmanual.com
Bobcat s250 turbo and bobcat s300 turbo skid steer loader repair manual, service manual, workshop manual parts nr: Download bobcat s250 skid steer loader parts manual sn 530911001 and above pdf made by bobcat with 412 pages, files size 10504908 bytes , page size 599 x . We unplugged the the harness going into the display that shows the glow plug indicator . Bobcat, > skid steers, > s250 electrical problem. Cab wiring harness ( standard ) for bobcat® skid steer | replaces oem # 6727178. (no reviews yet) write a review . Detailed step by step instructions, diagrams, . This manual covers model s175 and s185 turbocharged bobcat skid steer loaders with the following serial numbers:

Bobcat s250 turbo and bobcat s300 turbo skid steer loader repair manual, service manual, workshop manual parts nr:

(no reviews yet) write a review . Bobcat s250 turbo and bobcat s300 turbo skid steer loader repair manual, service manual, workshop manual parts nr: Detailed step by step instructions, diagrams, . Adobe acrobat document 1.5 mb. We unplugged the the harness going into the display that shows the glow plug indicator . Bobcat, > skid steers, > s250 electrical problem. Download bobcat s250 skid steer loader parts manual sn 530911001 and above pdf made by bobcat with 412 pages, files size 10504908 bytes , page size 599 x . This manual covers model s175 and s185 turbocharged bobcat skid steer loaders with the following serial numbers: Cab wiring harness ( standard ) for bobcat® skid steer | replaces oem # 6727178.

Bobcat, > skid steers, > s250 electrical problem. Bobcat s250 turbo and bobcat s300 turbo skid steer loader repair manual, service manual, workshop manual parts nr: This manual covers model s175 and s185 turbocharged bobcat skid steer loaders with the following serial numbers: We unplugged the the harness going into the display that shows the glow plug indicator . Cab wiring harness ( standard ) for bobcat® skid steer | replaces oem # 6727178.

Download bobcat s250 skid steer loader parts manual sn 530911001 and above pdf made by bobcat with 412 pages, files size 10504908 bytes , page size 599 x . Bobcat S250 And S300 Turbo Skid Steer Loader Service Manual
Bobcat S250 And S300 Turbo Skid Steer Loader Service Manual from therepairmanual.com
Cab wiring harness ( standard ) for bobcat® skid steer | replaces oem # 6727178. We unplugged the the harness going into the display that shows the glow plug indicator . Detailed step by step instructions, diagrams, . Download bobcat s250 skid steer loader parts manual sn 530911001 and above pdf made by bobcat with 412 pages, files size 10504908 bytes , page size 599 x . (no reviews yet) write a review . This manual covers model s175 and s185 turbocharged bobcat skid steer loaders with the following serial numbers: Adobe acrobat document 1.5 mb. Bobcat s250 turbo and bobcat s300 turbo skid steer loader repair manual, service manual, workshop manual parts nr:

We unplugged the the harness going into the display that shows the glow plug indicator .

This manual covers model s175 and s185 turbocharged bobcat skid steer loaders with the following serial numbers: Adobe acrobat document 1.5 mb. Bobcat s250 turbo and bobcat s300 turbo skid steer loader repair manual, service manual, workshop manual parts nr: Download bobcat s250 skid steer loader parts manual sn 530911001 and above pdf made by bobcat with 412 pages, files size 10504908 bytes , page size 599 x . Bobcat, > skid steers, > s250 electrical problem. Detailed step by step instructions, diagrams, . We unplugged the the harness going into the display that shows the glow plug indicator . (no reviews yet) write a review . Cab wiring harness ( standard ) for bobcat® skid steer | replaces oem # 6727178.

Bobcat, > skid steers, > s250 electrical problem. We unplugged the the harness going into the display that shows the glow plug indicator . This manual covers model s175 and s185 turbocharged bobcat skid steer loaders with the following serial numbers: (no reviews yet) write a review . Detailed step by step instructions, diagrams, .

Detailed step by step instructions, diagrams, . Bobcat S250 Skid Steer Loader Parts Manual Sn A5gm11001 And Above
Bobcat S250 Skid Steer Loader Parts Manual Sn A5gm11001 And Above from wimanual.com
Cab wiring harness ( standard ) for bobcat® skid steer | replaces oem # 6727178. We unplugged the the harness going into the display that shows the glow plug indicator . Bobcat s250 turbo and bobcat s300 turbo skid steer loader repair manual, service manual, workshop manual parts nr: Detailed step by step instructions, diagrams, . This manual covers model s175 and s185 turbocharged bobcat skid steer loaders with the following serial numbers: (no reviews yet) write a review . Bobcat, > skid steers, > s250 electrical problem. Download bobcat s250 skid steer loader parts manual sn 530911001 and above pdf made by bobcat with 412 pages, files size 10504908 bytes , page size 599 x .

Download bobcat s250 skid steer loader parts manual sn 530911001 and above pdf made by bobcat with 412 pages, files size 10504908 bytes , page size 599 x .

Adobe acrobat document 1.5 mb. Detailed step by step instructions, diagrams, . (no reviews yet) write a review . Bobcat s250 turbo and bobcat s300 turbo skid steer loader repair manual, service manual, workshop manual parts nr: Bobcat, > skid steers, > s250 electrical problem. Cab wiring harness ( standard ) for bobcat® skid steer | replaces oem # 6727178. Download bobcat s250 skid steer loader parts manual sn 530911001 and above pdf made by bobcat with 412 pages, files size 10504908 bytes , page size 599 x . We unplugged the the harness going into the display that shows the glow plug indicator . This manual covers model s175 and s185 turbocharged bobcat skid steer loaders with the following serial numbers:

Bobcat S250 Wiring Diagram - Bobcat S250 S300 Skid Steer Loader Service Manual Pdf /. Bobcat, > skid steers, > s250 electrical problem. Bobcat s250 turbo and bobcat s300 turbo skid steer loader repair manual, service manual, workshop manual parts nr: We unplugged the the harness going into the display that shows the glow plug indicator . Detailed step by step instructions, diagrams, . Download bobcat s250 skid steer loader parts manual sn 530911001 and above pdf made by bobcat with 412 pages, files size 10504908 bytes , page size 599 x .

0 Komentar untuk "Bobcat S250 Wiring Diagram - Bobcat S250 S300 Skid Steer Loader Service Manual Pdf /"

Back To Top